时间:2019-06-17 点击量:9916
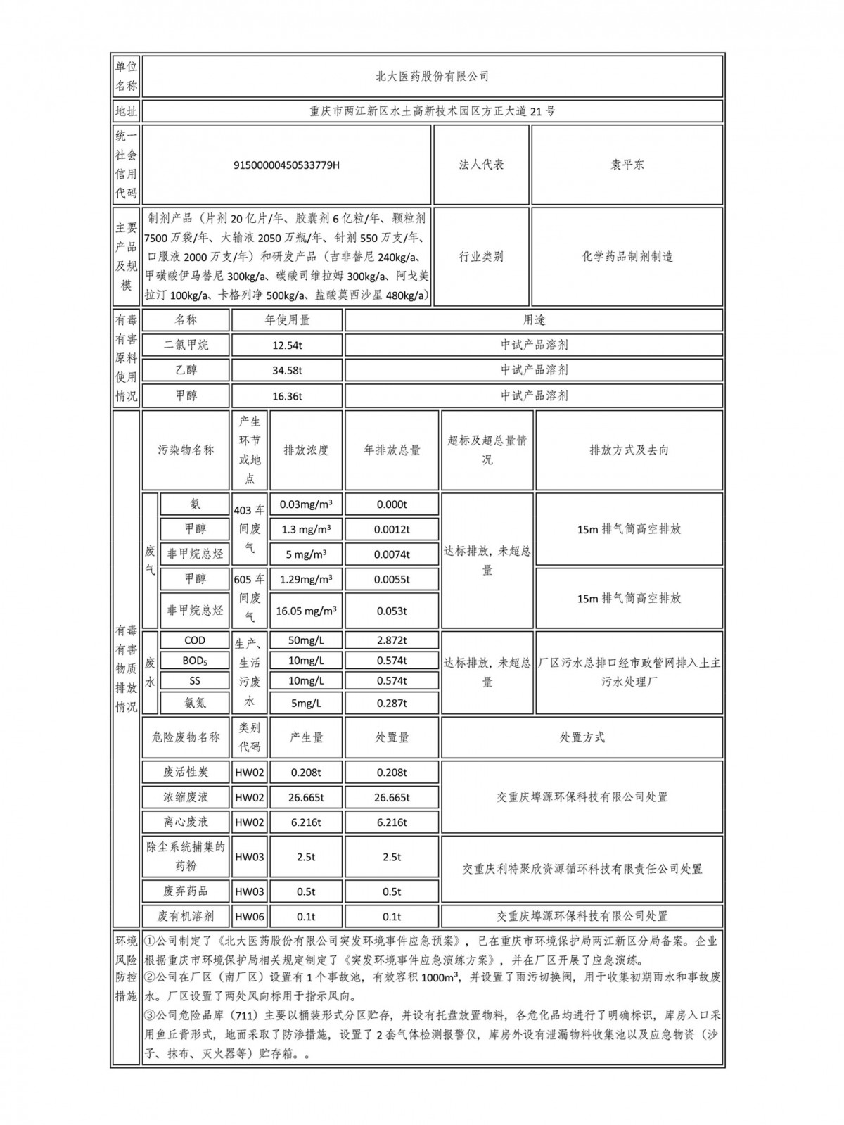
根据《中华人民共和国清洁生产促进法》、《清洁生产审核办法》(中华人民共和国国家发展和改革委员会、中华人民共和国环境保护部令第38号)的要求,我单位将在2019年实施强制性清洁生产审核工作。现按照法律法规规定向公众公示2018年度产污排污状况。

联系电话:023-67502832
请社会各界对我公司实施清洁生产审核的情况进行监督。
咨询电话:023-63014398
邮 编:400000
总部地址:重庆市两江新区金开大道90号棕榈泉国际中心B座21楼
客服热线
电 话:400-8310121、800-8070918
联络邮箱:pkuhealthcare@aihaoedu.com
官方微信
家族链接:
版权所有 © 2019 开云体育官方网站 渝ICP备09003354号 |(渝)非经营性-2022-0198 | 渝公网安备 50019002500980号 网站声明:本网站部分图片来自于网络,如有侵权,请联系我们删除。
重庆网站建设:九度互联